当前位置:首页 > 产品中心 > 元器件产品

PRODUCTS

产品中心

关注微信公众账号

固封式真空断路器

  • 产品说明
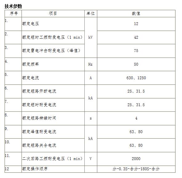
  • 产品参数

产品概述

VS1系列户内固封式真空断路器采用真空灭弧室固封极柱与隔离开关、弹簧操作机构有机构成,

真空灭弧室固封极柱是将真空断路器灭弧室及其导电连接端采用环氧树脂材料通过特殊工艺浇注而成主开关极柱(单元),适应污秽环境使用,便于开关柜小型化设计。

断路器带隔离开关,手动/电动弹簧操作机构,侧面安装,整体结构紧凑轻巧。

在使用场所,可与VL1系列户内固封式真空负荷开关及其组合电器配合使用,装配于相同开关柜中。

版权所有:福建森源电力设备有限公司 WIT B2B服务平台 备案号:闽ICP备19003817号-1 Copyright 2012-2017 51helpdesk.com

/*右侧悬浮菜单*/